Home MP3 Player

 

April 2015

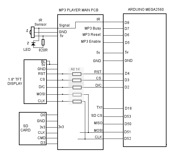
Connection Diagram

 

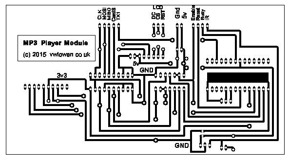
Home MP3 Player Main PCB

 

 

Back to Index | Page 1 | Page 2 | Page 3

 


This site and its contents are © Copyright 2005 - All Rights Reserved.